Zhejiang Sehnaider Electric Co., Ltd.
Zhejiang Sehnaider Electric Co., Ltd.
Tooted
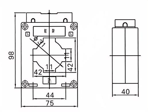
BH-0.66-40 voolutrafod
  • BH-0.66-40 voolutrafodBH-0.66-40 voolutrafod

BH-0.66-40 voolutrafod

BH-0.66-40 voolutrafod on täpsustehnoloogiaga seadmed, mis on loodud voolu täpseks mõõtmiseks ja energiaseireks madalapinge elektrisüsteemides. Nimetatud pingega 0,66KV tagavad need trafod usaldusväärse jõudluse tööstus-, äri- ja kommunaalteenuste rakendustes.

Funktsioonid:

Suur täpsus: BH-0,66-40 Voolutransformeerid vastavad IEC standarditele, pakkudes täpset voolu muutmist mõõtmiseks ja kaitseks.

Stabiilne jõudlus: suurepärane lineaarsus ja madala faasi nihe järjepidevate näitude jaoks.

Tugev konstruktsioon: leegi hoidjad suurendavad ohutust ja vastupidavust.


Rakendused:

Energiahaldussüsteemid

Elektrijaotuspaneelid

Nutikad arvestid ja automatiseerimine

Taastuvenergia paigaldus


Peamised tehnilised parameetrid

Hinnatud primaarne
vool (A)
Täpsus
klassid
kombinatsioon
Hindatud sekundaarne väljund (VA) On termiline vool (KA) Hinnatud dünaamiline vool (KA)
0,2 (s) 0.2 0.5 10p10
5-40 0,2/10p10
0,5/10p10
/ 10 10 15 90lin 220lin
5-40 100LIN 250lin
5-40 20 50
5-40
5-40 36 90
10
5-40 45 100
5-40 56 100
5-40
5-40 80 110
5-40 100 110


Kuumad sildid: BH-0.66-40 voolutrafod
Saada päring
Kontaktinfo
Kui teil on pakkumist pakkumise või koostöö kohta, saatke meile e -kiri aadressil jõe@dahuelec.com või kasutage järgmist päringuvormi. Meie müügiesindaja võtab teiega ühendust 24 tunni jooksul. Täname teid huvi eest meie toodete vastu.
X
We use cookies to offer you a better browsing experience, analyze site traffic and personalize content. By using this site, you agree to our use of cookies. Privacy Policy
Reject Accept