Zhejiang Sehnaider Electric Co., Ltd.
Zhejiang Sehnaider Electric Co., Ltd.
Tooted
BH-0,66-60 Voolutrafod
  • BH-0,66-60 VoolutrafodBH-0,66-60 Voolutrafod

BH-0,66-60 Voolutrafod

BH -0,66-60 voolutrafod võtab kasutusele PC leegi - aeglustuva materjali ja magnetiline - juhtiv materjal on lõõmutatud toroidne tuum, et tagada toote täpsus tasemel 0,2 ja 0,5. Ultra - kõrge täpsustaseme, näiteks 0,2 ja 0,5S korral, saavad sellised täpsusnõuded vastata ainult ülijuhtivad magnetid.

BH-0,66-60 voolutrafo on rakendatav elektrisüsteemides, mille nimiväärtus on 50Hz ja nimivälja pinge 0,66 kV, 0,69 kV, 0,5kV ja allapoole elektrienergia mõõtmiseks, voolu mõõtmise ja releekaitse jaoks.


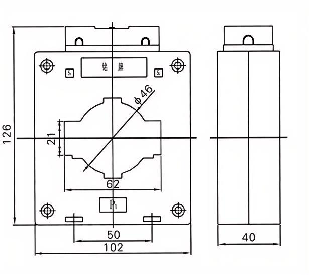
See Dahu praegune trafo on siseruumides kasutamiseks, paigaldatud jaotuskappidesse ja kastidesse. Sellel on uudne magnetiline vooluahela disain, täiustatud kompensatsioonimeetodid, peen töötlemise tehnikad, ohutu ja usaldusväärne jõudlus ning väike ja ilus välimus.


Väline kest on valmistatud kõrge tugevusega leegist - aeglustuvast arvutist, millel on täielikult suletud konstruktsioon ja leegi - aeglustuva hinnangu V1. Sisemine südamik on valmistatud kõrge kvaliteediga teraga orienteeritud räni terasest lehedest. Traadi läbimõõt valitakse rangelt vastavalt majanduse voolu tihedusele, et tagada temperatuuri vähem tõus. Täiustatud ja usaldusväärse testimisseadme abil tagab see vastavuse kvaliteedistandarditele.


Sellel on ruudukujulised ja ümarad aukude tüübid, mis sobivad ühe juure- või mitme juurekaabli läbitungimiseks või ühe - juuresisaini tungimiseks. Sellel on täielik tootesari, laias valikus spetsifikatsioone ja lai rakendusvahemik.


Rakendused

Energia jälgimine ja mõõtmine

Vooluringi kaitse ja relee koordinatsioon

Tööstusautomaatika ja nutikate võrgusüsteemid

Tehnilised spetsifikatsioonid

Nimetatud pinge: 0,66 kV

Sagedus: 50/60Hz

Täpsusklass: 0,5, 1,0 (kohandatav)

Isolatsioonitase: 3kv/min


Peamised tehnilised parameetrid

Hinnatud primaarne
vool (A)
Täpsus
klassid
kombinatsioon
Hindatud sekundaarne väljund (VA) 1S termiline vool (KA) Hinnatud dünaamiline vool (KA)
0,2 (s) 0.2 0.5 10p10
5-40 0,2/10p10
0,5/10p10
/ 10 10 15 90lin 220lin
5-40 100LIN 250lin
5-40 20 50
5-40
5-40 36 90
10
5-40 45 100
5-40 56 100
5-40
5-40 80 110
5-40 100 110


Kuumad sildid: BH-0,66-60 Voolutrafod
Saada päring
Kontaktinfo
Kui teil on pakkumist pakkumise või koostöö kohta, saatke meile e -kiri aadressil jõe@dahuelec.com või kasutage järgmist päringuvormi. Meie müügiesindaja võtab teiega ühendust 24 tunni jooksul. Täname teid huvi eest meie toodete vastu.
X
We use cookies to offer you a better browsing experience, analyze site traffic and personalize content. By using this site, you agree to our use of cookies. Privacy Policy
Reject Accept