Zhejiang Sehnaider Electric Co., Ltd.
Zhejiang Sehnaider Electric Co., Ltd.
Tooted
BH-0,66-50 voolutrafod
  • BH-0,66-50 voolutrafodBH-0,66-50 voolutrafod

BH-0,66-50 voolutrafod

BH-0,66-50 voolutrafod on täppisinstrumendid, mis on mõeldud elektrivoolude täpseks mõõtmiseks ja jälgimiseks erinevates tööstuslikes rakendustes. Nimevoolu 50A ja transformatsioonisuhtega 0,66 pakuvad need trafod usaldusväärseid ja täpseid voolu mõõtmisvõimalusi.

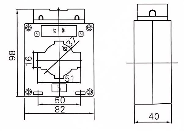
Siseruumides epoksüvaiguvoolu trafo või siseruumides plastist korpuse voolu trafo

• Ühefaasiline, kahe või kolme faasi.

• Nimetatud pinge: 0,66 kV

• CT mõõtmisklass: 0,2S, 0,2,0,5, 0,5S

• Standard: IEC61869-2

• Tüüpi nimi: BH-0.66-50

Seda siseruumides kuiva tüüpi voolu trafo kasutatakse 0,66 kV -s, 0,75 kV. Toitesüsteem, mõõtmiseks ja kaitseks.

Seda on kasutatud kabiini lülitiseadmetes või lahe paigaldatud lülitusjaamades.

BH-0,66-50 voolutrafod on valmistatud kõrge temperatuuriga siseruumides asuvast epoksüvaigust, amorfse sulami südamiku mõõtmiseks ja kõrge kvaliteediga sisemisse südamiku kaitseks, esmane ja sekundaarne kasutamine puhta elektrolüütilise vase kasutamiseks.


Rakendused:

Elektrijaotussüsteemid

Energiahaldussüsteemid

Tööstusseadmete jälgimine

Taastuvenergia süsteemid


1. Esmaklassilised materjalid

Kõrgetasemelised südamikud: täpsusega lamineeritud räniratas või nanokristallilised südamikud minimaalsete kadude ja suure lineaarsuse tagamiseks.  

Tugev isolatsioon: epoksüvaiku kujundused tagavad pikaajalise stabiilsuse karmides keskkondades.  


2. parem jõudlus

Täpsus: klass 0,2/0,5 mõõtmiseks, 5p/10p kaitseks, vastavus IEC 61869, 60044, IEEE ja ANSI standarditele.  

Lai vahemik: toetab 0,6KV-36KV süsteeme, kohandatud suhte/sagedusega (50/60Hz).  

Madal termiline tõus: optimeeritud disain vähendab ülekuumenemist, pikendades eluiga.  

EMC immuunsus: kilbid usaldusväärsete signaalide elektromagnetiliste häirete vastu.  


3. teenus ja tugi

Kohandatud lahendused: kohandatud suhted, suurused või pistikud (nt DIN Rail, IEC klemmid).  

Globaalsed sertifikaadid: IEC, CE, ISO ja kohalikud võrgu kinnitused.  

Elukestev tehniline abi: ööpäevaringne tugi, paigaldamise juhendamine ja varuosade varustus.  

Kiire kohaletoimetamine: standardtooted 2–4 nädala jooksul; kiireloomuliste vajaduste kiirendatud võimalused.  


Peamised tehnilised parameetrid

Hinnatud primaarne
vool (A)
Täpsus
klassid
kombinatsioon
Hindatud sekundaarne väljund (VA) 1S termiline vool (KA) Hinnatud dünaamiline vool (KA)
0,2 (s) 0.2 0.5 10p10
5-40 0,2/10p10
0,5/10p10
/ 10 10 15 90lin 220lin
5-40 100LIN 250lin
5-40 20 50
5-40
5-40 36 90
10
5-40 45 100
5-40 56 100
5-40
5-40 80 110
5-40 100 110




Kuumad sildid: BH-0,66-50 voolutrafod
Saada päring
Kontaktinfo
Kui teil on pakkumist pakkumise või koostöö kohta, saatke meile e -kiri aadressil jõe@dahuelec.com või kasutage järgmist päringuvormi. Meie müügiesindaja võtab teiega ühendust 24 tunni jooksul. Täname teid huvi eest meie toodete vastu.
X
Kasutame küpsiseid, et pakkuda teile paremat sirvimiskogemust, analüüsida saidi liiklust ja isikupärastada sisu. Seda saiti kasutades nõustute meie küpsiste kasutamisega. Privaatsuspoliitika
Keeldu Nõustu